
в избранное
с другими
Проектирование и монтаж бытовых трубопроводов предполагает рассмотрение особенностей такого материала как полипропиленовые трубы, а также соединительные фитинги.
Фитинг для полипропиленовых труб Reiger производят с помощью отлива под давлением. Их используют для сварки нагретым инструментом в раструбе с полипропиленовыми трубами.
Фитинги для полипропиленовых труб Reiger используются для ремонта и монтажа систем отопления и водоснабжения.
Металлические вставки, используемые в полипропиленовых фитингах, позволяют применять комбинированные фитинги в системах, изготовленных из разных материалов.
Основные преимущества полипропиленового фитинга Reiger:
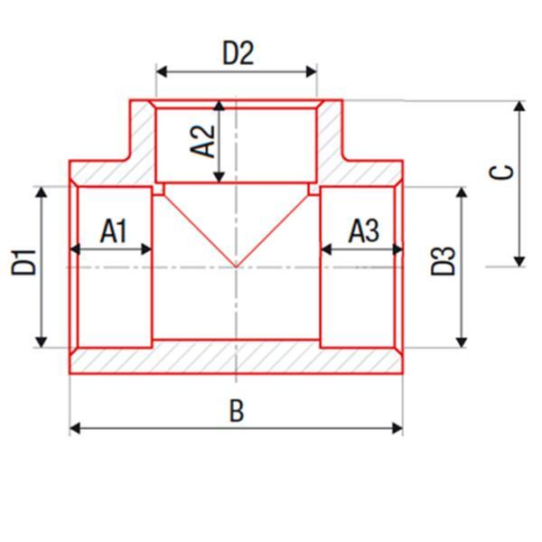
Реукционный полипропиленовый тройник Reiger используется для соединения разветвлений трубопроводных систем водоснабжения и отопления. Соединение происходит методом раструбной сварки.
Реукционный тройник Reiger используется для соединения трех элементов трубопроводной системы разных диаметров.
Производитель | Reiger |
Страна производитель | Украина |
Назначение | Горячее водоснабжение , Холодное водоснабжение , Отопление |
Диаметр трубы, мм | Ø 40 мм , Ø 90 мм |
Тип изделия | Фитинги |
Материал изделия | Полипропилен |
Тип фитинга | Тройник редукционный |